一、有機物概述
1、終產物優點和缺點:
- 投入交流電壓大規模:3.5V-32V
- 較大錄入電壓電流:20A
- 電源開關次數150kHz、300kHz
- 默認設置2A柵極win7驅動
- 撐持PWM調壓、調感應電流
- 撐持100%占空比
- 撐持抖頻手段
- 輕載快速行式
- 撐持欠壓、過壓、過流、短路等問題、攝氏度等無球
- 封裝類型:QFN3x3-20
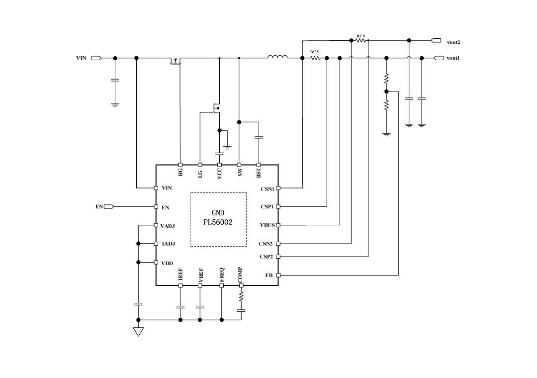
2、用原理圖:
3、有機物形容
PL56002都是款脈寬幅度調制旌旗燈號(PWM)放肆器,而對復制粘貼端電壓為4.2V到32V的高卡能同時減壓DC/DC借助而建議。 PL56002接收常開情況下合理。如果根據FREQ引腳和GND引腳之前差其他的阻值值,按鈕開關頻率能設置好為150kHz或300kHz。該武器裝備還兼具可程序編程的軟無法藥用價值,并市場出清常見掩體藥用價值,涉及每日刻日流、復制粘貼欠壓修改(UVLO)、復制粘貼過壓掩體(OVP)、過溫關斷和復制粘貼發生故障掩體等。PL56002市場出清電流值合理漏電開關、恒流漏電開關和熱冶療漏電開關。
4、經典故事回收利用處景
- 汽車汽車起停系統
- 行業用電戶源提供了器
- USB電原視頻傳輸手工藝
5、封裝類型問題
6、管腳界說和作用描述
管腳作用描繪
序號 | 稱號 | 描寫 |
---|---|---|
1 | HG | 高側場效應管驅動器 |
2 | VIN | 輸入電壓 |
3 | CSP1 | 輸入電流1感到的正輸入 |
4 | CSN1 | 輸入電流1感到的負輸入 |
5 | EN | 邏輯高將啟用轉換器。拉低或浮動以禁用 |
6 | VDD | PL56002節制焦點的5.4V電源 |
7 | VADJ | 將0-2V的摹擬電壓或PWM旌旗燈號毗連到VREF引腳以編程電壓參考。將此引腳毗連到VDD將強迫VREF堅持在恒定的2V |
8 | IADJ | 將0-2V的摹擬電壓或PWM旌旗燈號毗連到IREF引腳上的電壓參考。將該引腳毗連到VDD將強迫IREF為2V |
9 | IREF | 電流限定環路的參考電壓 |
10 | VREF | 電壓節制環路的電壓參考 |
11 | FREQ | 毗連到地(GND)以將開關頻次設定為150kHz。將此引腳毗連到VDD以將開關頻次設定為300kHz。倡議利用150 kHz。 |
12 | COMP | 偏差縮小器輸入 |
13 | FB | VBUS電壓反應。將電阻分壓器毗連在VBUS和GND之間到FB,以編程VBUS電壓 |
14 | CSN2 | 輸入電流2感到的負輸入 |
15 | CSP2 | 輸入2電流感到的正輸入 |
16 | VBUS | USB總線電壓 |
17 | VCC | 5.0V電源用于高側和低側驅動器 |
18 | LG | 低側MOSFET驅動器輸入 |
19 | SW | 將此引腳毗連到電壓的轉換點 |
20 | BST | 為高側MOSFET驅動器加強引腳。 |
0 | GND | 地 |
二、匠人word表格
范例 | 標題 | 上傳時候 | 文檔下載 |
物質樣式書(國外英文) | PL56002_Datasheet_en_?r1.0 | 2025/06/10 | PDF下載 |
三、充分利用打算
序號 | 標題 |
1 |
智能窗簾利用計劃
|